添加链接
link之家
链接快照平台
  • 输入网页链接,自动生成快照
  • 标签化管理网页链接
细谈Type-C、PD原理(上)

细谈Type-C、PD原理(上)

本人是一名音视频行业的设计工程师,下面这边文章是我阅读了PD Spec、Type-C Spec以及各个厂商的规格文档后汇总而成,初学者基本看完上、下两篇文章,就算入门了~

BY:Chris.Cheung

把(下)集的连接放这里哈:

一、Type-C简介以及历史

自1998年以来,USB发布至今,USB已经走过20个年头有余了。在这20年间,USB-IF组织发布N种接口状态,包括A口、B口、MINI-A、MINI-B、Micro-A、Micro-B等等接口形态,由于各家产品的喜好不同,不同产品使用不同类型的插座,因此悲剧来了,我们也要常备N中不明用途的接口转接线材。

图1 USB协议发布时间节点

而对于Type-C来说,看起来USB标准化组织也是意识到统一和标准化问题,在定义标准时,除了硬件接口定义上,还增加了一部分“个性化”特点。分别是什么呢?

1.1 定义了全新的接口形态(Pin Assignments)

接口大小跟Micro USB相近,约为8.3mm x 2.5mm,支持正反插,同时也规范了对应的线材,接口定义如下(线材端只有一对USB2.0 DATA):

图2 Type-C端口的PIN定义-1
图3 Type-C端口的PIN定义-2

在插座定义上,定义了如下两种插座:

a)全功能的Type-C插座,可以用于支持USB2.0、USB3.1、等特性的平台和设备。

b)USB 2.0 Type-C插座,只可以用在支持USB2.0的平台和设备上。

在插头定义上,定义了如下三种插头:

a)全功能的Type-C插头,可以用于支持USB2.0、USB3.1、等特性的平台和设备。
b)USB 2.0 Type-C插头,只可以用在支持USB2.0的平台和设备上。
c)USB Type-C Power-Only插头,用在那些只需要供电设备上(如充电器)。

在线缆定义上,定义了如下三种线缆:

a)两端都是全功能Type-C插头的全功能Type-C线缆。
b)两端都是USB 2.0 Type-C插头的USB 2.0 Type-C线缆。
c)只有一端是Type-C插头(全功能Type-C插头或者USB 2.0 Type-C插头)的线缆。

还定义了N种为了兼容旧设备的线缆:

a)一种线缆,一端是全功能的Type-C插头,另一端是USB 3.1 Type-A插头。
b)一种线缆,一端是USB 2.0 Type-C插头,另一端是USB 2.0 Type-A插头。
c)一种线缆,一端是全功能的Type-C插头,另一端是USB 3.1 Type-B插头。
d)一种线缆,一端是USB 2.0 Type-C插头,另一端是USB 2.0 Type-B插头。
e)一种线缆,一端是USB 2.0 Type-C插头,另一端是USB 2.0 Mini-B插头。
f)一种线缆,一端是全功能的Type-C插头,另一端是USB 3.1 Micro-B插头。
g)一种线缆,一端是USB 2.0 Type-C插头,另一端是USB 2.0 Micro-B插头。
h)一种适配器,一端是全功能的Type-C插头,另一端是USB 3.1 Type-A插座。
i)一种适配器,一端是USB 2.0 Type-C插头,另一端是USB 2.0 Micro-B插座。

以上这些线材,我们知道,Type-A接的是HOST,所以转接线中,CC引脚需要接上拉电阻。Type-B接的是Device,因此CC引脚需要接下拉电阻。

其中,具备全功能的Type-C应该具备E-Marker功能,由于具备E-Marker,线缆能够被读到其带电流的能力、特性、线材ID等等。E-Marker的供电电源来自于VCONN,如何知道线缆需要VCONN呢?线缆会通过下拉的电阻Ra,Source检测到之后会提供VCONN。

以上的定义均为标准的插拔端子以及线材,对于固定的连接器,而进行不同的状态连接的描述,分为C/D/E Pin Assignments

其中C表示4lane,即4对差分对均传输DP,定义如下,用于连接有源线材时的定义。D表示2lane传输,2对差分对传输DP信号,2对差分对传输USB3.0信号,E也是4lane,定义如下

图4 Type-C的PIN ASSIGNMENT

1.2传输速率,供电效能

最大传输速度10Gb/s,即是USB 3.1 Gen2标准,也支持4 Lane DP模式,传输高清图像,在供电部分,最大可以支持100W(20V/5A)

图5 USB端口的供电能力


1.3 “个性化”协商机制

由于端口一致,线材两端接口也一直,为了能够区分两端USB设备的角色(Host/Device),必须有一套协商机制,便于进行角色确认,这部分通过CC(Configuration Channel)管脚进行设置。后面随着PD规范的面世,CC脚开始被用来做简单的半双工通信,用来完成POWER供给的协商

1.4 强悍的一统天下的态势

由于Type-C的扩展功能(SBU1/SBU2),大部分配件诸如耳机、视频接口、Debug接口等等都可以实现兼容设计,成功逆袭以往所有的USB标准,成功上位!

二、Type-C Port的Data Role、Power Role

2.1 Type-C的 Data Role

在USB2.0端口,USB根据数据传输的方向定义了HOST/Device/OTG三种角色,其中OTG即可作为HOST,也可作为Device,在Type-C中,也有类似的定义,只是名字有了些许修改。如下所示:

(1)DFP(Downstream Facing Port):

下行端口,可以理解为Host或者是HUB,DFP提供VBUS、VCONN,可以接收数据。在协议规范中DFP特指数据的下行传输,笼统意义上指的是数据下行和对外提供电源的设备。其中DFP-U表示USB的Host,DFP-D表示DP的Source

(2)UFP(Upstream Facing Port):

上行端口,可以理解为Device,UFP从VBUS中取电,并可提供数据。典型设备是U盘,移动硬盘。其中UFP-U表示USB的Device,UFP-D表示DP的Sink

(3)DRP(Dual Role Port): 请注意DRP分为DRD(Dual Role Data)/DRP(Dual Role Power)

双角色端口,类似于以前的OTG,DRP既可以做DFP(Host),也可以做UFP(Device),也可以在DFP与UFP间动态切换。典型的DRP设备是笔记本电脑。设备刚连接时作为哪一种角色,由端口的Power Role(参考后面的介绍)决定;后续也可以通过switch过程更改(如果支持USB PD协议的话)。

2.2 Type-C的Power Role

根据USB PORT的供电(或者受电)情况,USB Type-C将port划分为Source、Sink等power角色

如下图显示常用设备的Data Role和Power Role

图6 Type-C设备的分类

Power Role 详细可以分为:

a)Source Only

b)默认Source,但是偶尔能够通过PD SWAP切换为SINK模式

c)Sink Only

d)默认SINK,但是偶尔能够通过PD SWAP切换为Source模式

e)Source/SINK 轮换

f)Sourcing Device (能供电的Device,显示器)

g)Sinking Host(吃电的Host,笔记本电脑)

三、Type-C的Data/Power Role识别协商/Alt Mode

USB Type-C的插座中有两个CC脚,以下的角色检测,都是通过CC脚进行的,但是对于插头、或者线缆正常只有一个CC引脚,两个端口连接在一起之后,只存在一个CC引脚连接,通过检测哪一个CC有连接,就可以判断连接的方向。如果USB线缆中有需供电的器件,其中一个CC引脚将作为VCONN供电。

3.1 CC引脚有如下作用:

a)检测USB Type-C端口的插入,如Source接入到Sink

b)用于判断插入方向,翻转数据链路

c)在两个连接的Port之间,建立对应的Data Role

d)配置VBUS,通过下拉电阻判断规格,在PD协商中使用,为半双工模式

e)配置VCONN

f)检测还有配置其他可选的配置模式,如耳机或者其他模式

3.2 连接方向、Data Role、Power Role角色检测

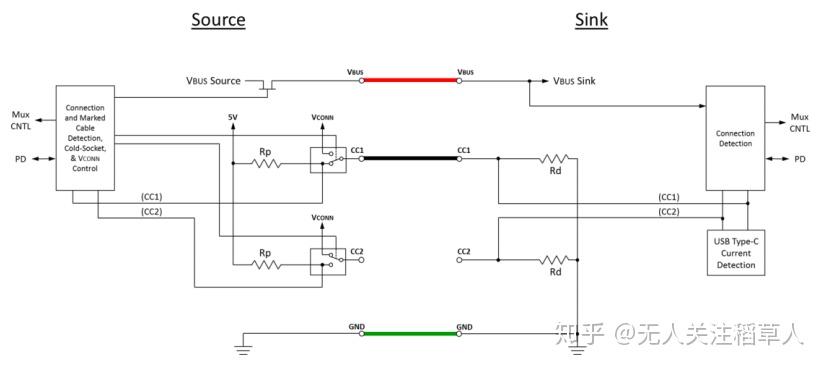
3.2.1 SourceSink Connection

图7 Source和Sink的连接示范


图8 Source和Sink的端接电阻连接示意


如图所示,Source端CC引脚为上拉,Sink端CC引脚为下拉。握手过程为接入后检测到有效连接(即一端为Host一端为Device),随后检测线材供电能力,再进行USB枚举。

如下图指示了Source端,在连接SINK之前,CC1和CC2的框图模型:

图9 CC1&CC2在连接前的状态


a)Source端使用一个MOSFET去控制电源,初始状态下,FET为关闭状态

b)Source端CC1/CC2均上拉至高电平,同时检测是否有Sink插入,当检测到有Rd下拉电阻时,说明Sink被检测到。Rp的阻值表明Host能够提供的功率水平。

c)Source端根据Cable中哪一个CC引脚为Rd下拉,去翻转USB的数据链路,同时决定另外一个CC引脚为VCONN

d)在此之后,Source打开VBUS,同时VCONN供电

e)Source可以动态调整Rp的值,去表示给Sink的电流发送变化,告知SINK最大可以使用的电流

f)Source会持续检测Rd的存在,一旦连接断开,电源将会被关闭

g)如果Source支持高级功能(PD或者Alternate Mode),将通过CC引脚进行通信

如下图指示了SINK端CC1和CC2框架:

图10 Sink端的CC1/CC2状态


a)SINK的两个CC引脚均通道Rd下拉到GND

b)SINK通过检测VBUS,来判断Source的连接与否

c)SINK通过CC引脚上拉的特性,来检测目前的USB通信链路(翻转)

d)SINK可选地去检测Rp的值,去判断Source可提供的电流。同时管理自身的功耗,保证不超过Source提供的最大范围

e)同样的,如果支持高级功能,通过CC引脚进行通信。

如下图指示DRP的CC引脚在链接之前的架构:

图11 DRP设备的CC状态

a)当作为Source存在的时候,DRP使用MOSFET控制VBUS供电与否

b)DRP使用Switch去切换自身身份作为Source,或者是SINK

c)DRP存在一套机制,分三种情况,去决定自身是SINK或者是Source,去建立两者间彼此的角色。

情况1:不使用PD SWAP,随机变成Source/SINK中的任意一个,CC脚波形为方波


图12 CC引脚上的方波

情况2:自身倾向于作为Source,执行Try.SRC,问对面能不能做SINK呀,我做Source

情况3:与情况2相反,自身倾向作为SINK,执行Try.SNK,你做Source,我做小弟

图13 Type-C 端口的角色转换


当然还存在Source&Source,SINK&SINK这种搞基模式,唯一的结果就是一直停留在Unattached.SNK/Unattached.SRC,无法终成眷属。

那如果CC波形插入的时候同时都为高电平呢?

(1)同时插入为高电平,但是由于不一定是完全同步,所以一定会有一个先拉高、或者先拉低

(2)如果波形完完全全理想同步,那么就是SINK/SOURCE/SINK/SOURCE如此重复下去

另外需要注意的是,Try.SNK/Try.SRC这两个动作,是不需要用到PD协议的,通常在最初插入时发生

3.3 Type-C的其他模式

3.3.1 Display Port Alternate Mode

系统会通过USB PD协议中VDMs的信息通信(CC引脚通信),去告知支持Display Port模式。在这个模式当中,USB SuperSpeed 信号允许部分传输USB,部分传输DP信号。

图14 Type-C端口的Alternate Mode

3.3.2 Audio Adapter Accessory Mode

如下图,为3.5mm音频输入口转Type-C端口,USB2.0链路被用来传输模拟音频信号,若带MIC,MIC信号则连接在SBU引脚上,在这个模式当中,电源可以提供到500mA电流。

Host端如何识别到音频模式呢?把CC引脚和VCON连接,并且下拉电阻小于Ra/2(则小于400ohm),或者分别对地,下拉电阻小于Ra(小于800ohm),则Host会识别为音频模式。

图15 音频类应用框图


3.3.3 Debug Accessory Mode (DAM)

在DAM下,连接软体和硬体提供可视化调试和控制的系统,使用较少。

四、如何进行数据链路的切换

4.1 纯USB3.0

以TUSB546(DFP),TUSB564(UFP)为例子

前者的使用例子如笔记本电脑、后者的使用例子如Monitor

如下图,两端设备会根据插入方向,切换数据链路。图X插入连接为CC1,因此TUSB564切换到TX1/RX1

图16 2lane USB应用


图17插入连接为CC2,因此TUSB564切换到TX2/RX2,也就是根据CC引脚插入,识别插入方向

图17 2lane USB应用


4.2 USB3.1和2 LANE of DisplayPort

切换原理如上,需要注意的是,DP信号是使用SBUx进行传输

图18 2lane USB+ 2lane DP应用


图19 2lane USB+ 2lane DP应用


4.3 纯DP模式 4 lane

图20 4lane DP应用


问题思考:如何确定是DP 4 lane模式或者是DP 2 lane+USB3.0 模式?

通过CC引脚,利用PD协议沟通,协商,PD Controler 发起请求,并得到回应

编辑于 2020-07-13 16:36