添加链接
link之家
链接快照平台
  • 输入网页链接,自动生成快照
  • 标签化管理网页链接
相关文章推荐
激动的莲藕  ·  runOnUiThread ...·  1 年前    · 
无聊的日记本  ·  ActionListener_百度百科·  2 年前    · 
帅呆的小马驹  ·  ai计算显存不够 - 抖音·  2 年前    · 
单身的碗  ·  uni-app&H5&Android混合开发 ...·  2 年前    · 
首发于 EaBIM
每日一练209:关于Revit中如何制作一个卫生间模型文件

每日一练209:关于Revit中如何制作一个卫生间模型文件

卫生间涉及到多专业建模,下面以试题为例介绍简单卫生间的建模:


房间给排水设计,根据题目要求,新建项目,并根据图纸给出的墙,门,卫浴装置等绘制出模型。1.新建项目,项目样板选择“机械样板”,如图所示。






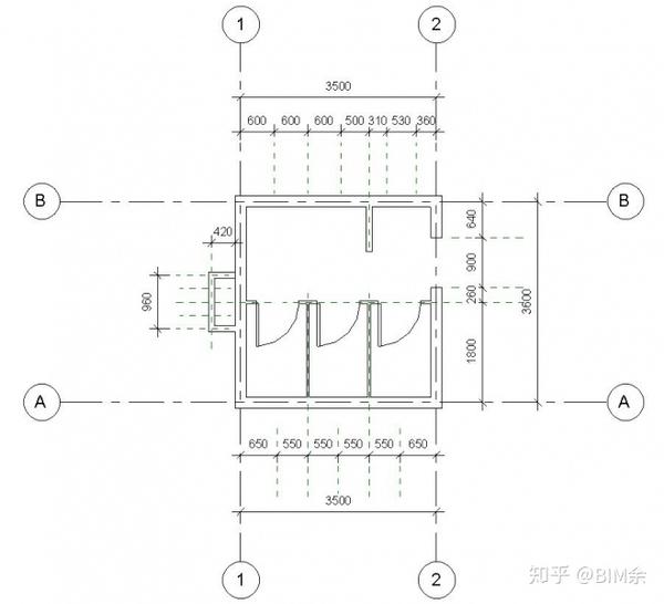
2.绘制轴网,如下图所示。





3.标注图中的尺寸数字。



4.墙的绘制,包括外墙和内墙,本题分别按200mm、100mm和50mm厚度绘制,将建筑层高为3800mm作为墙高度的限制条件,如图所示。






5.门的放置,载入“M_单扇-与墙对齐0762*2032mm”按照图中题目尺寸要求放在指定位置上,如图所示。



6.卫浴器具的放置,分别载入小便器具,洗脸盆和坐便器等按图中各器具摆放的位置并放置在指定位置上,如图所示。



7.绘制给水管,通气管和排水管等立管模型。首先三个管线各自定义相应的系统,包括颜色设置,材质设置和名称设置等,它们是给水系统,通气系统和排水系统等。









8.点击“系统-管道-管道类型”,以DN125的数字绘制三个不同的管道。









9.自行设计卫生间内的给排水路由,按照考题要求,排水管的坡度设置为8%。给水水管的高度设置为3100mm,排水管的高度设置为-1000mm。连接洗脸盆,小便器和坐便器的给水管管径分别是DN20,DN15,DN15,干管管径为DN25。连接洗脸盆,小便器和坐便器的排水管管径分别是DN40,DN40和DN100。选择器具和设备,创建管道系统。









将器具和设备添加到系统中,完成编辑系统。



在系统浏览器中设置



利用“生成布局”布管



利用解决方案中的三种类型去选择适合自己的设计方案,在修改基准里设置成DN32,最后点击“完成布局”。







发布于 2020-12-15 10:23

文章被以下专栏收录